Mobile QR Code QR CODE
Export citation EndNote




포스트텐션, 강연선, 부식, 부식량, 염화물 농도
post-tensioned, strand, corrosion, pit depth, chloride concentration

  • 1. 서 론

  • 2. 재료 시험

  •   2.1 긴장재 파단 및 시편 채취 위치

  •   2.1.1 긴장재 파단 위치

  •   2.1.2 강연선 및 그라우트 시편 채취 위치

  •   2.2 재료 시험 결과 및 분석

  •   2.2.1 강연선의 부식량

  •   2.2.2 그라우트의 염화물 농도

  •   2.2.3 부식 환경에 따른 강연선의 부식량

  • 3. 강연선 파단 확률 평가

  •   3.1 확률 모델 구성

  •   3.2 파단 확률 해석 방법

  •   3.3 해석 결과

  • 4. 결론 및 향후 연구 계획

1. 서    론

포스트텐션 교량은 타 교량에 비해 공사비가 저렴하고 시공성이 높으며, 내구성, 안전성, 사용성이 우수하여 국내외에서 많이 사용되어 왔다. 그러나 1990년대 이후 유럽과 미국 등에서 포스트텐션 교량의 강연선의 손상 및 부식이 발견됨에 따라 교량의 안전성 및 내구성 문제가 대두되었다(Woodward 2001; Theryo and Powers 2011).

2016년 2월, 우리나라에서도 시공 후 17년이 경과된 공용중 포스트텐션 교량에서 강연선의 부식으로 인한 외부 긴장재(tendon)의 파단이 처음 발견되었으며, 이에 대한 원인 조사가 이루어졌다. 조사과정 중 실제 파단된 긴장재의 위치와 그 주변에서 강연선 시편과 그라우트 시편을 채취하여, 강연선의 부식량과 그라우트의 염화물 농도를 측정하였다(Seoul Facilities Corporation 2017).

이 연구에서는 측정된 강연선의 부식량에 대한 통계학적 분석을 통해 그라우트의 염화물 농도가 강연선 부식에 미치는 영향을 파악하고, 그라우트의 염화물 농도에 따른 강연선의 파단 확률을 추정하고자 하였다.

2. 재료 시험

2.1 긴장재 파단 및 시편 채취 위치

2.1.1 긴장재 파단 위치

긴장재가 파단된 포스트텐션 교량은 총 420 m(=3@50+2@60+3@50)의 경간장으로 구성된 다경간 PSC 박스거더교이다. 각 교각(Pier, 이하 P)사이에 방향 전환 블록(Deviation Block, 이하 DB)을 설치하여 Fig. 1과 같이 긴장재가 배치되어있다. 긴장재는 거더 중앙을 중심으로 좌측과 우측에 각각 외부 긴장재 6개와 내부 긴장재 4개가 배치되어 있으며, 외부 긴장재와 내부 긴장재는 각각 7연선의 강연선 15개와 19개로 구성되어 있다.

Fig. 1

Post-tensioned bridge section view

/Resources/kci/JKCI.2017.29.6.545/images/Figure_CONCRETE_29_06_02_F1.jpg

긴장재의 번호는 Fig. 2와 같이 좌측과 우측을 구분하여 각각 LT(Left Tendon) 1∼10번과 RT(Right Tendon)으로 나타내었으며, 이 중 외부 긴장재의 번호는 LT 1∼6번과 RT 1∼6번이다. 

Fig. 2

Installation detail of tendon

/Resources/kci/JKCI.2017.29.6.545/images/Figure_CONCRETE_29_06_02_F2.jpg

Table 1 The number of fractured strands

/Resources/kci/JKCI.2017.29.6.545/images/Table_CONCRETE_29_06_02_T1.jpg

이 긴장재들 중 P-41번과 DB-1번 사이 구간에서 LT-4번이 파단된 상태로 발견되었다. 또한 실제 교체를 위한 긴장재 해체시 Table 1과 같이 다른 외부 긴장재에서도 강연선이 파단된 것을 발견할 수 있었다.

2.1.2 강연선 및 그라우트 시편 채취 위치

강연선 시편은 Fig. 3과 같이 긴장재 파단이 발견된 구간인 P-41번과 DB-1번 구간의 LT-1, 4, 5, 6번 긴장재에서 채취하였다. LT-2번 긴장재는 시료 채취시 이미 해체 후 절단된 상태로 보관되어 있어 실제 위치 파악이 어려워 이 연구 대상에서 제외 하였으며, LT-3번 긴장재는 부식이 전혀 발견되지 않아 부식 상태 평가에서 제외하였다.

Fig. 3

The position of extracted specimens of strand

/Resources/kci/JKCI.2017.29.6.545/images/Figure_CONCRETE_29_06_02_F3.jpg

또한 내시경 검사를 통해 심한 부식손상이 의심되었던 P-46과 DB-2번 구간의 LT-4(이하 LT-4(P-46))에서도 강연선 시편을 채취하였다.

일반적으로 강연선의 부식양상은 Fig. 4와 같이 전면부식(uniform corrosion)과 국부부식(pitting corrosion)의 형태로 나타난다. 이 연구에서 채취한 강연선에서 나타난 부식양상은 국부부식의 형태로 나타났으며, 이때 발생한 부식량을 ‘Pit depth’ 라고 한다. 채취한 강연선 시편 중 부식이 발생한 부위를 우선 육안으로 살펴가며 부식량 측정에 사용할 시편을 1차로 선별하고, 선별된 시편에 대해 시편의 녹을 제거한 후 부식량을 측정하였다. 강연선의 부식량은 강연선의 측선(outer wire)과 심선(center wire)을 구분하여 Table 2와 같이 총 49개의 강연선의 286개의 소선에서 11,568개의 부식량을 측정하였다.

Fig. 4

Two types of corrosion in the strand and the strand specimens

/Resources/kci/JKCI.2017.29.6.545/images/Figure_CONCRETE_29_06_02_F4.jpg

Table 2 The number of samples extracted from the strands

/Resources/kci/JKCI.2017.29.6.545/images/Table_CONCRETE_29_06_02_T2.jpg

그라우트 시편은 P-41번과 DB-1번 구간의 LT-1, 4, 5번과 P-46번과 DB-2번 구간의 LT-4번 주변에서 총 41개를 채취하였으며, 각 시편에 대한 염화물 농도를 측정하였다. 다른 긴장재 위치에서는 현장 여건의 문제로 채취가 불가능하였다.

2.2 재료 시험 결과 및 분석

2.2.1 강연선의 부식량

측정된 강연선의 pit depth는 Fig. 5와 같이 pit depth별 측정 빈도수로 정리하였으며, 각 그래프의 X축은 각각의 강연선에서 측정한 pit depth이며, Y축은 측정 빈도수이다. 측정 빈도수의 선형 스케일은 막대그래프로 나타내었으며, 측정 빈도수의 로그 스케일은 점으로 나타내었다. 여기서, 빨간 막대와 점은 심선에 대한 pit depth의 측정 빈도수를 나타낸 것이고, 파란 막대와 점은 측선에 대한 pit depth의 측정 빈도수를 나타낸 것이다.

Fig. 5

Relationship between probability density (log probability density) and pit depths

/Resources/kci/JKCI.2017.29.6.545/images/Figure_CONCRETE_29_06_02_F5.jpg

측정된 강연선의 pit depth는 pit depth가 증가함에 따라 로그 스케일에서 선형으로 측정 빈도수가 감소하는 경향을 보였으며, 이는 pit depth의 크기가 커질수록 pit depth의 빈도수가 크게 감소하는 것을 의미한다(Jo et al. 2017).

로그스케일에서 pit depth의 측정 빈도수를 측선과 심선으로 구분하고, 각 긴장재별로 식 (1)을 이용한 회귀분석을 통해 Fig. 6과 Table 3에 나타내었다.

Fig. 6

Relationship between log probability density and pit depths of outer wire and center wire

/Resources/kci/JKCI.2017.29.6.545/images/Figure_CONCRETE_29_06_02_F6.jpg

Table 3 Regression analysis of pit depth in logarithmic scale by tendons

/Resources/kci/JKCI.2017.29.6.545/images/Table_CONCRETE_29_06_02_T3.jpg

측선에 대한 pit depth의 측정 빈도수 기울기는 LT-6, 5, 1, 4, LT-4(P-46)번 순으로, 심선의 경우, LT-6, 5, 1, LT-4(P-46), L4번 순으로 증가하는 양상을 보였다.

로그스케일에서 pit depth의 측정 빈도수 기울기가 작을수록 큰 pit depth의 발생 빈도수가 상대적으로 증가하기 때문에, 이 기울기가 작을수록 강연선의 파단 확률이 높아지게 된다. 측선과 심선 모두 LT-6번에서 가장 작은 기울기인 0.459와 0.718로 나타났으며, 이는 LT-6번의 강연선 파단수가 4가닥이지만 잠재적인 파단 확률이 높은 것을 의미한다.

/Resources/kci/JKCI.2017.29.6.545/images/PICE764.gif     (1)

또한, 로그스케일에서 심선의 pit depth의 측정 빈도수 기울기는 측선의 기울기보다 1.46배∼2.14배로 크게 나타났으며, 즉 측선의 pit depth가 심선의 pit depth보다 클 확률이 높다는 것을 보여주고 있다. 이는 7연선의 외부를 둘러싸고 있는 측선이 먼저 외부 환경적 유해요인(수분, 염화물 등)의 침입이 쉬워 측선이 먼저 부식이 발생하게 되어 동일 시점에서의 심선보다 큰 pit depth가 발생되기 때문으로 판단된다.

2.2.2 그라우트의 염화물 농도

그라우트의 염화물 농도는 각 긴장재별 DB로 부터 떨어진 거리를 기준으로 Fig. 7과 같이 나타내었다. 그라우트의 염화물 농도는 LT-5번의 그라우트에서 최대 11,775 ppm으로 측정되었으며, ACI 222에서 제한하고 있는 염화물량인 1,000 ppm(단위시멘트량의 0.08 %, 물-시멘트비 45 % 기준)의 약 11배를 초과한 값이다(ACI Committee 222 2010). 이와 같이 높은 염화물 농도가 측정된 이유는 포장의 노후화 및 방수층의 손상으로 인해 염화물 농도가 높게 측정된 LT-5번의 10∼16 m(DB-1번으로 부터의 거리) 구간에 설치된 에어벤트를 통해 제설용 염화칼슘과 같은 염화물이 포함된 노면수가 유입되었기 때문으로 판단된다(Seoul Facilities Corporation 2017).

Fig. 7

Chloride concentrations at the high and low chloride part

/Resources/kci/JKCI.2017.29.6.545/images/Figure_CONCRETE_29_06_02_F7.jpg

LT-4번의 그라우트의 염화물 농도는 5,026 ppm으로 측정되었으며, 임계 염화물 농도인 5,000 ppm(단위시멘트량의 0.04 %, 물-시멘트비 45 % 기준)을 초과한 값으로 강연선의 부식이 발생하여 파단까지 이를 수 있는 염화물 농도이다(Lee and Zielske 2014).

표면 부식이 많이 발생한 정착구 위치의 LT-4(P-46)에서의 염화물 농도는 500 ppm 미만으로 나타나 염화물에 의한 부식이 아니라 그라우트의 미충전으로 인해 발생된 공극에 강연선이 노출되면서 정착구의 상단부에 표면 부식이 발생한 것으로 판단된다(Fig. 1 참조).

2.2.3 부식 환경에 따른 강연선의 부식량

부식 환경이 강연선의 pit depth에 미치는 영향을 파악하기 위해 염화물 농도가 높은 구간과 낮은 구간에서 채취한 강연선 시편의 pit depth를 비교하였다.

염화물 농도가 높은 구간은 LT-5번의 10∼16 m(DB-1번으로 부터의 거리) 구간으로, 여기서 측정된 염화물 농도는 최대 11,775 ppm이다. 염화물 농도가 낮은 구간은 LT-4(P-46)번의 모든 시편이 포함한 구간으로, 이 구간의 염화물 농도는 모두 500 ppm 이하로 나타났다.

이 두 구간에서 측정된 강연선의 pit depth와 로그스케일에서의 측정 빈도수를 Fig. 8에 나타내었으며, 회귀분석을 통해 Table 4와 같이 선형 기울기를 추정하였다. 염화물 농도가 높은 구간의 선형 기울기는 0.568(측선)과 1.041(심선)로 낮은 구간의 선형 기울기인 1.806(측선)과 2.638(심선)보다 더 작게 나타났으며, 이는 염화물 농도가 높을수록 큰 pit depth가 발생할 확률이 높다는 것을 의미한다.

Fig. 8

Relationship between log probability density and pit depths of High and low chloride part

/Resources/kci/JKCI.2017.29.6.545/images/Figure_CONCRETE_29_06_02_F8.jpg

Table 4 Regression analysis of pit depth by chloride concentration in logarithmic scale

/Resources/kci/JKCI.2017.29.6.545/images/Table_CONCRETE_29_06_02_T4.jpg

3. 강연선 파단 확률 평가

2장에서 그라우트의 염화물 농도에 따라 강연선의 부식에 큰 영향이 있다는 것을 통계학적 분석을 통해서 도출하였다. 이 장에서는 통계학적 분석 결과를 토대로 그라우트의 염화물 농도에 따른 강연선의 파단 확률을 추정하고자 하였다.

3.1 확률 모델 구성

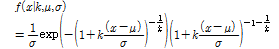
염화물 농도에 따른 강연선의 파단 확률을 추정하기 위해 염화물 농도가 높은 구간(LT-5번의 10∼16 m 구간)과 염화물 농도가 낮은 구간(LT-4(P-46)번)의 각 구간별 심선과 측선을 구분하여 pit depth에 대한 확률 모델을 구성하였다. 이 연구에서는 pit depth 확률 모델을 Fig. 9와 같이 Generalized Extreme Value(이하 GEV) 확률 모델로 구성하였다(식 (2) 참조).

Fig. 9

Probability density of outer wire and center wire

/Resources/kci/JKCI.2017.29.6.545/images/Figure_CONCRETE_29_06_02_F9.jpg

/Resources/kci/JKCI.2017.29.6.545/images/PICE775.gif  (2)

구성된 pit depth의 GEV 확률 모델은 다시 식 (3)∼(8)을 이용하여 Fig. 10과 같이 손실 단면적(/Resources/kci/JKCI.2017.29.6.545/images/PICE7D4.gif)을 산출한 후 단면 손실 확률 모델로 변환하였다(Val and Robert 1997).

Fig. 10

Pit depth configuration

/Resources/kci/JKCI.2017.29.6.545/images/Figure_CONCRETE_29_06_02_F10.jpg

또한 강연선 재료의 불확실성을 제거하기 위해 각 강연선의 인장강도에 대한 정규분포 확률 모델을 Fig. 11과 같이 구성하였다(Jacinto et al. 2012).

Fig. 11

Probability density of tensile strength

/Resources/kci/JKCI.2017.29.6.545/images/Figure_CONCRETE_29_06_02_F11.jpg

/Resources/kci/JKCI.2017.29.6.545/images/PICE7F4.gif                     (3)

/Resources/kci/JKCI.2017.29.6.545/images/PICE862.gif    (4)

/Resources/kci/JKCI.2017.29.6.545/images/PICE892.gif          (5)

/Resources/kci/JKCI.2017.29.6.545/images/PICE8A3.gif                   (6)

/Resources/kci/JKCI.2017.29.6.545/images/PICE8D3.gif                          (7)

/Resources/kci/JKCI.2017.29.6.545/images/PICE8E3.gif                        (8)

여기서, /Resources/kci/JKCI.2017.29.6.545/images/PICE8F4.gif : 손실 단면적, /Resources/kci/JKCI.2017.29.6.545/images/PICE924.gif : pit depth

3.2 파단 확률 해석 방법

구성된 확률 모델을 변수로 각 구간별 몬테-카를로 시뮬레이션을 총 1,000,000회 수행하여 각 소선별 파단 확률을 추정하였다.

현재 강연선이 받고 있는 인장응력이 공칭인장강도(Guaranteed Ultimate Tensile Strength, GUTS) 1,860 MPa의 60 %인 1,116 MPa로 가정하고, 단면손실로 인해 강연선이 받는 인장응력이 증가하여 임의의 인장강도를 초과할 때 강연선이 파단되었다고 가정하였으며, 식 (9)와 같다.

/Resources/kci/JKCI.2017.29.6.545/images/PICE983.gif      (9)

여기서, /Resources/kci/JKCI.2017.29.6.545/images/PICE993.gif : 초기 단면적

Fig. 12와 같이 각 Case 1과 Case 2에 대한 강연선의 파단 확률을 추정하고자 하였다. Case 1은 소선(심선 또는 측선) 한 가닥만 파단될 확률을 나타내며, 파단된 소선이 받고 있던 긴장력을 나머지 소선들이 분담하여 받는 인장응력이 증가하지만 임의의 인장강도를 초과하지 않는 경우를 말한다. 즉 나머지 소선은 파단되지 않을 확률이다. Case 2는 소선 두 가닥(심선과 측선 또는 측선 두 가닥)이 파단될 확률을 나타내며, 이때도 마찬가지로 파단된 소선 두 가닥이 받고 있던 긴장력을 나머지 소선들이 분담하여도 그 소선이 받는 인장응력이 임의의 인장강도를 초과하지 않는 경우를 말한다.

Fig. 12

Case 1 and Case 2 of the strand fracture

/Resources/kci/JKCI.2017.29.6.545/images/Figure_CONCRETE_29_06_02_F12.jpg

이 연구에서 사용한 몬테-카를로 시뮬레이션 알고리즘은 Fig. 13과 같다.

Fig. 13

Algorithm of Monte-Carlo simulation for probability on the strand fracture

/Resources/kci/JKCI.2017.29.6.545/images/Figure_CONCRETE_29_06_02_F13.jpg

3.3 해석 결과

염화물 농도가 높은 구간과 낮은 구간에 대한 강연선의 파단 확률을 Table 5와 같이 추정하였다. 염화물 농도가 높은 구간의 강연선에서 측정된 pit depth를 이용한 확률 모델을 변수로 한 경우, Case 1의 파단 확률은 2.29250 % 로, Case 2의 파단 확률은 0.11062 %로 추정되었으며, Case 1이 Case 2보다 20.7배 크게 추정되었다. 염화물 농도가 낮은 구간의 경우, Case 1의 파단 확률은 0.10325 %로, Case 2의 파단 확률은 0.00019 %로 추정되었으며, Case 1이 Case 2보다 543.4배 크게 추정되었다.

염화물 농도가 높은 구간의 강연선 파단 확률은 염화물 농도가 낮은 구간보다 Case 1의 경우 22.2배, Case 2의 경우 582.2배가 큰 것으로 나타났다. 이는 2장의 통계학적 분석 결과와 동일한 결과로, 그라우트의 염화물 농도가 높을수록 강연선의 pit depth가 증가하고 이로 인해 강연선의 파단 확률이 증가되는 것을 보여주는 결과이다.

Table 5 Probability on the strand fracture

/Resources/kci/JKCI.2017.29.6.545/images/Table_CONCRETE_29_06_02_T5.jpg

4. 결론 및 향후 연구 계획

이 연구에서는 공용 중인 포스트텐션 교량에서 손상된 강연선의 pit depth의 통계학적 분석을 통해 부식 환경이 강연선의 부식에 미치는 영향을 알아보았다. 수행된 연구를 통해 다음과 같은 결론을 얻을 수 있었다.

1)측정된 강연선의 pit depth와 로그스케일에서의 측정 빈도수는 선형 관계로 나타났으며, 이 선형 기울기는 심선이 측선보다 1.46배∼2.14배로 크게 나타났다. 즉 측선의 pit depth가 심선의 pit depth보다 클 확률이 높다는 것을 보여주고 있다. 이는 7연선의 외부를 둘러싸고 있는 측선이 먼저 외부 환경적 유해요인(수분, 염화물 등)의 침입이 쉬워 측선이 먼저 부식이 발생하게 되어 동일 시점에서의 심선보다 큰 pit depth가 발생되기 때문으로 판단된다.

2)임계 염화물 농도 5,000 ppm 이상의 염화물 농도가 측정된 구간의 pit depth와 측정 빈도수의 로그스케일에서의 기울기는 0.568(측선)과 1.041(심선)로 염화물 농도가 500 ppm 이하로 낮은 구간의 기울기인 1.806(측선)과 2.638(심선)보다 더 작게 나타났으며, 이는 염화물 농도가 높을수록 큰 부식량이 발생할 확률이 높다는 것을 의미한다.

3)강연선의 소선(심선 또는 측선) 한 가닥만 파단될 확률은 염화물 농도가 5,000 ppm 이상인 구간에서 2.29250 %로, 염화물 농도가 500 ppm 이하의 구간에서 0.10325 %로 추정되었으며, 강연선의 소선 두 가닥(심선과 측선 또는 측선 두 가닥)이 파단될 확률은 염화물 농도가 5,000 ppm 이상인 구간에서 0.11062 %로, 염화물 농도가 500 ppm 이하의 구간에서 0.00019 %로 추정되었다.

이 연구는 실제 공용중인 교량의 강연선과 그라우트를 이용한 실험을 통한 분석으로, 측정된 그라우트의 염화물 농도 데이터가 한정적이었기 때문에 다양한 그라우트의 염화물 농도 변화에 따른 pit depth의 변화에 대한 분석이 어려웠으며, 특정 염화물 농도(임계염화물 농도 5,000 ppm 이상 또는 500 ppm 이하)에 노출되었을 경우의 강연선의 파단 확률을 추정하였다. 향후 다양한 염화물 농도에 따른 강연선의 부식속도를 추정하는 실험을 진행할 예정이며, 이 결과를 통해 여러 가지 노출 시나리오에 대해 강연선의 파단 확률을 추정하고자 한다.

Acknowledgements

이 연구는 국토교통부 건설기술연구개발사업의 연구비지원(17SCIP-B128487-01)에 의해 수행되었으며, 실험에 많은 도움을 주신 이승경 박사님께 감사드립니다.

References

1 
ACI Committee 222 (2010) Protection of Metals in Concrete Against Corrosion (ACI 222R-01). USA: American Concrete Institute.Google Search
2 
Jacinto, L., Pipa, M., Neves, L. A., and Santos, L. O. (2012). Probabilistic models for mechanical properties of prestressing strands. Construction and Building Materials 36, 84-89.DOI
3 
Jo, S. D., Kwon, S. H., Kim, C. Y., and Lee, Y. (2017) Statistical Analysis on Pit Depths of Corroded Strands Measured in a Post-Tensioned Bridge on Service. In Proceedings of the Korea Concrete Institute, Jeju 10-12 May 2017. Seoul.: Korea Concrete Institute. 181-182. (In Korean)Google Search
4 
Lee, S. K., Zielske, J. (2014) An FHWA special study: post-tensioning tendon grout chloride thresholds. USA: Federal Highway Administration. No. FHWA-HRT-14-039.Google Search
5 
Seoul Facilities Corporation (2017) Research on Establishment of maintenance management plan of tendon of PSC box girder bridge in Seoul. Seoul: Seoul Facilities Corporation (in Korean)Google Search
6 
Theryo, T. and Powers, R.G. (2011) Post-Tensioned Bridges: Global Durability Issues and the Latest Developments for Future Improvement. 56th Annual Kansas University Structural Engineering Conference, Lawrence, KS, USA.Google Search
7 
Val, Dimitri V. and Robert E. Melchers. (1997) Reliability of deteriorating RC slab bridges. Journal of structural engin-eering 123.12, 1638-1644.DOI
8 
Woodward R. (2001) Durability of Post-Tensioned Tendons on Road Bridges in the UK., In Proceedings of Workshop on Durability of Post-Tensioning Tendons, Lausanne, Switzerland. Fédération Internationale du Béton (fib). Bulletin 15.Google Search