김민숙
(Min Sook Kim)
1iD
이영학
( Young Hak Lee)
2†iD
-
경희대학교 건축공학과 학술연구교수
(Research Fellow, Department of Architectural Engineering, KyungHee University, Yongin
17104, Rep. of Korea)
-
경희대학교 건축공학과 교수
(Professor, Department of Architectural Engineering, KyungHee University, Yongin 17104,
Rep. of Korea)
Copyright © Korea Concrete Institute(KCI)
키워드
부분합성보, 접합부, 프리캐스트 콘크리트, 휨거동
Key words
partially encased composite beam, joint, precast concrete, flexural behavior
1. 서 론
프리캐스트 콘크리트(PC) 공법은 부재를 공장에서 제작한 후 현장에서 조립하는 방식으로 현장 작업을 최소화해 공사기간을 단축할 수 있기 때문에 경제성과
시공성 등의 장점으로 인해 적용이 증가하고 있는 추세이다. PC 부재 접합에는 주로 습식 공법이 사용되는데 이는 접합부를 현장에서 타설하여 일체성을
강화할 수 있다는 장점이 있다. 그러나 손상 발생 시 부재의 해체 또는 철거가 필요하며 손상되지 않은 부재도 재사용이 어렵다는 단점이 있다(Aninthaneni et al. 2018). 반면 건식 공법은 별도의 타설 과정 없이 부재를 접합하므로 조립 및 해체가 용이하고, 손상되지 않은 부재는 재사용이 가능하다. Yang et al. (2023)은 블라인드 볼트 연결을 활용한 모듈러 강재의 보-기둥 접합부를 제안하여 내진성능을 평가하였다. 블라인드 볼트와 보강 플레이트를 사용한 접합부의 성능이
크게 향상됨을 확인하였다. Chen et al. (2021)은 조립식 모듈러 보-기둥에 현장 볼트 체결이 가능한 접합부를 제안하고 반복 가력실험을 실시하였다. 기둥에 베이스 플레이트를 삽입한 결과 보의 소성
힌지가 코어 영역에서 먼 위치에 발생하여 강기둥-약보 거동을 유지하게 하며, 보 플랜지의 두께가 접합부 하중 지지 능력을 향상시키는 매개변수임을 확인하였다.
Lee et al. (2017)은 단면 손실 없이 설치 및 해체가 용이한 모듈러 접합부를 제안하였다. 천장 보를 브래킷 형식으로 변경하여 볼트 체결이 용이하게 하였으며, 제안한
접합부 시스템이 강접합 구조 성능을 확보함을 확인하였다. 대부분의 PC 및 모듈러 접합부 연구는 RC 구조보다는 강구조에 대하여 다뤄지고 있다. 또한,
보-기둥 접합부에 관한 연구가 대다수이며 부재 간 접합부에 관한 연구는 제한적이다.
Partial Encased Composite(PEC) 보는 H형강 사이에 콘크리트를 충전한 형태로 철골보의 내화성능을 강화하고 콘크리트의 균열 및
박리 현상을 억제한다. 또한 전반적인 좌굴 위험을 줄이며 강성 및 내구성을 향상시키는 장점이 있다(Ye et al. 2022). 보의 깊이를 줄일 수 있고 시공과정을 단축할 수 있어 사용이 증가하고 있는 추세이다(Ahmad et al. 2018). Ye et al. (2022)은 부분 충전된 합성보의 휨성능을 평가하기 위해 휨 실험을 수행하였다. 콘크리트와 H형강의 결합으로 인한 하중 분담 효과를 분석하였으며 H형강의 내화
및 좌굴 저항성능 향상에 대한 우수성을 확인하였다. Ahmad et al. (2018)은 PEC 보의 휨성능과 좌굴 저항을 실험적으로 평가하였으며 H형강 플랜지와 웨브에 대한 콘크리트의 구속효과에 대해 분석하였다. 콘크리트가 부분적으로
충전되었을 때 H형강의 국부좌굴 위험이 감소하고 구조성능이 향상됨을 확인하였다. Wu et al. (2020)은 PEC 보의 상부 및 하부 플랜지를 콘크리트와 효과적으로 연결하기 위해 새로운 스크류 타입의 접합부를 제시하였으며 이에 대한 성능을 평가하기 위해
반복가력 실험을 수행하였다. 제안한 스크류 타입은 기존 스터드 및 스터럽보다 연성 및 강성을 향상시킬 수 있음을 확인하였다.
본 연구에서는 PC 보와 PEC 보의 장점을 결합한 PC 부재에 교체 가능한 슬릿형 강재 접합부 상세를 제안하고 이를 적용한 보의 휨 성능을 평가하고자
하였다. PC 부재의 공기단축과 시공성, PEC 보의 내화성능 및 강성 향상 의 장점을 동시에 활용하면서 교체 가능한 접합부를 통해 구조 성능과 일체성을
확보하고 손상 발생시 접합부의 교체가 용이하게 하여 부재의 재사용 가능성을 높이고자 하였다. 이를 위해 일체형 PEC 보 시험체 1개와 교체 가능한
접합부를 가진 PEC 보 시험체 4개를 제작하고 휨성능을 실험적으로 평가하였다.
2. 실험 개요
2.1 PEC 보 상세
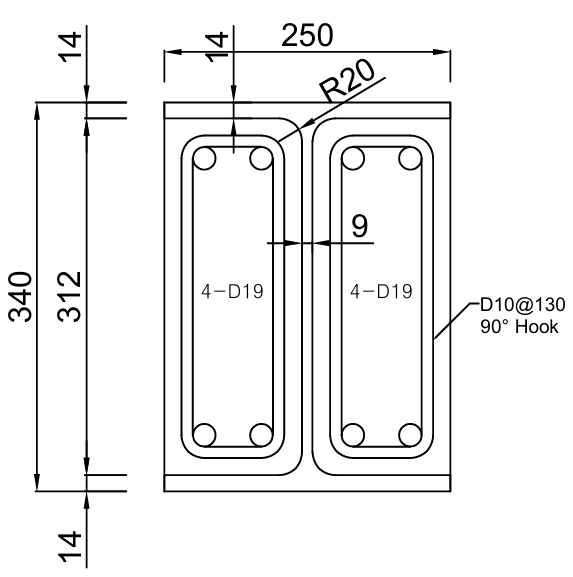
접합부가 없는 PEC 보와 제안한 접합부를 가진 PEC 보 모두 보의 크기는 폭 250 mm, 높이 340 mm로 하였다. PEC 보 제작에 사용된
콘크리트의 설계 압축강도 35 MPa이며 재령 28일 기준 콘크리트 압축강도는 약 34.3 MPa이다. H형강은 250× 340×9×14의 규격으로
SS275를 사용하였다. 주근은 D19, 스터럽은 D10이며 철근의 항복강도는 모두 400 MPa이다. 강재 접합부가 없는 PEC 보는 총 길이 3,000
mm로 제작하였고, 강재 접합부를 가진 PEC 보는 1,500 mm의 두 부재를 연결하여 총 3,480 mm의 길이가 되게 하였다. 재료의 물성치
및 PEC 보의 상세는 Table 1과 Fig. 1에 나타내었다.
PEC 보의 설계를 위해 변형률적합해석을 사용하였다. 이 때 합성단면은 선형 변형률 분포할 것과 철근과 콘크리트, 강재 요소 사이는 완전합성으로 가정하였다.
힘의 평형 방정식은 다음 식 (1)과 같다.
여기서, $C_{c}$는 콘크리트 압축력, $C_{H}$는 H형강의 압축력, $T_{s}$는 철근의 인장력, $T_{H}$는 H형강의 인장력이이며
다음의 식 (2)~식 (5)로 구할 수 있다.
여기서, $a$는 등가응력블록 깊이, $b$는 보의 폭, $f_{y}$는 H형강과 철근의 항복강도, $A_{h,\: comp}$는 압축측 H형강의
단면적, $A_{h,\: ten}$는 인장측 H형강의 단면적이다.
최대휨모멘트 $M_{u}$는 다음 식 (6)으로 계산한다.
여기서, $d$는 유효깊이, $d_{h}$는 H형강 압축측 도심거리이다.
Fig. 1 Detail of partially encased composite (PEC) beam
2.2 교체 가능한 슬릿형 볼트 접합부 상세
교체 가능한 슬릿형 볼트 접합부는 Fig. 2와 같이 PEC 보의 양단에 부착되는 스틸 플레이트와 두 PEC 보의 모듈을 연결하는 슬릿 타입의 연결 플레이트로 구성된다. 스틸 플레이트는 Fig. 3(a)와 같은 상세로 SS275 강재를 사용하여 두께 25 mm, 너비 130 mm로 제작되었다. 이는 PEC 보의 양측 H형강 플랜지 측에 용접으로 접합된다.
스틸 플레이트에 슬릿 타입의 연결 플레이트와의 조립을 위해 3개의 지름 12 mm의 구멍 3개를 천공하였다. 스틸 플레이트는 슬릿 타입의 연결 플레이트가
고정되어 원활한 하중 전달을 하는 역할을 수행한다. 연결 플레이트는 슬릿 형상을 가지며 SS275를 사용하여 제작하였다. 접합부 성능을 확보하기 위해
슬릿 타입의 연결 플레이트는 각 스틸 플레이트 양 측면에 두겹으로 볼트 체결된다. 슬릿 타입은 변형 및 에너지 소산을 위한 상세이며 Fig. 3(b)와 3(c)와 같이 슬릿 개수를 변수로 두어 두 타입의 연결 플레이트를 제작하였다.
스틸 플레이트와 연결 플레이트는 현장에서 볼트 체결 방식으로 접합하였다. 체결에는 길이가 짧은 고장력 볼트와 전산나사를 사용하였다. 고장력 볼트를
사용하는 경우는 PEC 보에 용접된 스틸 플레이트와 연결 플레이트를 각각 연결하는데 사용된다. 길이가 긴 전산나사는 보 양측의 스틸 플레이트와 연결
플레이트를 한번에 체결하는 방식에 사용된다. 이를 실험 변수로 설정하였다. 이러한 볼트 체결 방식은 PEC 보의 설치, 해체 및 재사용을 용이하게
할 수 있는 건식 방식이다.
Fig. 2 Replaceable slit bolt connection
Table 1 Material properties
|
Material
|
Compressive strength (MPa)
|
|
Concrete
|
34.3
|
|
Material
|
Diameter (mm)
|
Yield strength (MPa)
|
Modulus of elasticity (MPa)
|
|
Rebar
|
19.1
|
400
|
200
|
|
Stirrup
|
9.53
|
400
|
200
|
|
Material
|
Sectional dimension (mm)
|
Yield strength (MPa)
|
Modulus of elasticity (MPa)
|
|
H-beam
|
250×340×9×14
|
400
|
200
|
2.3 제작 과정
모든 PEC 보는 동일한 과정을 통해 제작하였다. 먼저 H형강의 플랜지와 웨브 사이에 주근 및 스터럽을 배근하였다. 철근 배근이 완료된 후 1차 변형률
게이지를 주근과 H형강에 부착하였으며 이후 콘크리트를 타설하여 PEC 보를 제작하였다. 접합부가 적용된 PEC 보의 경우, 콘크리트 양생 후, 보
양 옆면의 H형강 플랜지에 용접으로 스틸 플레이트를 부착하였다. 이후 두 개의 PEC 보 모듈은 연결 플레이트를 배치하고 볼트를 체결하여 조립되었다.
Fig. 4에 시험체 제작과정을 나타내었으며 고장력 볼트 및 전산나사에 따른 체결방법은 Fig. 5와 같다.
Fig. 4 Specimen fabrication
Fig. 5 Type of bolt connection
2.4 실험 계획
강재 접합부가 없는 일체형 PEC 보 1개와 강재 접합부를 가진 PEC 보 4개에 대하여 Fig. 6과 같이 휨 실험을 수행하였다. 짧은 길이의 고장력 볼트와 긴 길이의 전산나사를 사용한 접합볼트의 종류와 연결 플레이트 슬릿의 개수를 실험변수로 하였다.
각 변수에 따른 시험체의 구성을 Table 2에 정리하였다. 시험체의 시험체 변수는 접합 볼트의 종류와 연결커넥터의 슬릿의 개수로 설정하였다. 실혐변수는 Table 2에 정리하였다. 시험체의 휨성능을 평가하기 위하여 3점 휨실험을 진행하였고 전단경간비는 동일하게 2.4로 설정하였다. 하중이 최대하중에 도달한 이후
최대하중의 80 % 이하로 감소할 때까지 실험을 진행하였다. 변형률 측정하기 위하여 스틸 플레이트 및 연결 플레이트에 게이지를 부착하였다(Fig. 7).
Fig. 6 Experimental setup
Fig. 7 Layout of strain gauges
Table 2 List of the five specimens
|
Variable
|
Number of slits
|
Type of bolts
|
a/d
|
|
RCB-C
|
-
|
-
|
2.4
|
|
RCB-T1
|
0
|
High-strength bolt
|
2.4
|
|
RCB-T2
|
0
|
Threaded rod
|
2.4
|
|
RCB-T3
|
1
|
High-strength bolt
|
2.4
|
|
RCB-T4
|
1
|
Threaded rod
|
2.4
|
3. 실험 결과
3.1 균열 및 파괴양상
PEC 보의 H형강 플랜지 측면에 스틸 플레이트를 용접하였기 때문에 PEC 보와 스틸 플레이트 사이의 용접 상태는 하중 전달과 접합부 성능에 중요한
역할을 한다. 실험 결과, 모든 시험체에서 PEC 보와 스틸 플레이트 간 용접부의 균열 및 변형은 관찰되지 않았으며 이는 실험 종료 시점까지 스틸
플레이트가 PEC 보에 하중을 원활히 전달하는 역할을 수행했음을 의미한다. 용접 및 부착 상태는 Fig. 8에 나타내었다.
실험종류 후 시험체의 균열 및 파괴양상은 Fig. 9에 나타내었다. 접합부가 없는 PEC 보 시험체인 RCB-C 시험체는 약 450 kN에 도달하면서 보의 중앙부 하단에 휨균열이 발생하였으며 이후 최대
하중에 도달하며 균열이 확장되어 콘크리트 박리가 시작되었다. 휨 균열은 주로 H형강과 콘크리트 경계면에서 집중적으로 발생하였으며 하중이 증가함에 따라
균열이 플랜지 주변으로 확산되었다. 하중이 증가하고 보 상부 플랜지의 좌굴이 발생함에도 심각한 콘크리트 박리가 발생하지 않았는데 이는 PEC 보의
내부에 배근된 스터럽과 PEC 보의 상부 및 하부 플랜지의 수직방향으로 압축력이 발생하여 콘크리트를 구속하는 효과를 발생시켰기 때문인 것으로 판단된다.
Fig. 10에서 보는 바와 같이 고장력 볼트를 사용한 RCB-T1, RCB-T3 시험체는 초기 하중 도입시 스틸 플레이트와 연결 플레이트를 체결한 볼트에서 슬립
현상이 관찰되었다. 이는 하중이 증가하기 전 접합부의 유격이나 볼트와 천공된 구멍 사이의 간극으로 인한 것으로 판단된다. 이후 하중이 증가하면서 RCB-C
시험체와 마찬가지로 보의 하부 플랜지와 콘크리트 접합면에서 휨균열이 관찰되었으며 휨균열이 진전되면서 접합부의 회전이 발생하기 시작하였다. 이후 연결
플레이트 중앙부에 휨이 발생하면서 한쪽 볼트가 파단되며 실험이 종료되었다.
RCB-T1 시험체는 슬릿이 없는 시험체로 연결 플레이트 중앙부에서 휨이 발생하며 볼트 전단파단이 발생하여 실험이 종료되었다. RCB-T3 시험체는
RCB-T1 시험체에 비해 연결 플레이트 중앙부 변형이 적게 발생하였다. 이는 슬릿으로 인해 응력 분산이 이루어졌기 때문인 것으로 판단된다. RCB-T3
시험체 역시 연결 플레이트의 중앙부에 휨이 발생하고 접합부에 회전이 발생하면서 이후 볼트 파단으로 실험을 종료하였다. RCB-T1과 RCB-T3의
거동은 유사하였으며 연결 플레이트의 좌굴은 관찰되지 않았다. 또한 슬릿이 없는 RCB-T1 시험체에서 더 큰 회전이 발생하였다.
전산나사를 적용한 RCB-T2, RCB-T4 시험체 또한 RCB-C 시험체와 마찬가지로 접합부 근처 보의 하부에서 휨균열이 관찰되었으며 휨 균열의
진전이 관찰되면서 접합부의 회전이 시작되었다. 이후 연결플레이트와 맞닿은 전산나사와 연결플레이트 중앙부에서 휨 변형이 관찰되었다. 하중이 증가하면서
접합부 회전이 증가하였으며 하중이 감소하면서 실험이 종료되었다. 전산나사에서 큰 변형은 발생하였으나 고장력 볼트와 같은 전단파단은 관찰되지 않았다.
이는 세 겹의 플레이트를 연결하는 고장력볼트는 볼트의 전단파괴가 주요 메커니즘으로 작용하지만 전산나사는 PEC 보 양측 스틸 플레이트를 관통하여 긴
길이로 체결되므로 연결길이가 길어져 하중이 분산되며 연성적으로 변형이 발생한 것으로 판단된다.
Fig. 9 Cracks and failure
3.2 하중 – 변위 관계
하중-변위 관계는 Fig. 11에, 최대하중 및 최대변위 결과는 Table 3에 정리하였다. 변형률 적합해석을 통해 계산된 PEC 보의 최대하중은 664.65 kN으로 실험값 보다 약 2 % 크게 예측하는 것으로 나타났다.
따라서 PEC 보의 휨설계 시 변형률 적합법을 사용 가능한 것으로 판단된다. RCB-C 시험체는 접합부가 없는 PEC 보로 하중-변위 관계가 일반적인
보의 휨거동을 보였다. 초기 하중도입부터 하중이 선형적으로 증가하면서 변위가 발생하였으며 최대하중 약 651 kN에 도달한 이후 PEC 보의 상부
플랜지가 좌굴되고 콘크리트 박리가 일부 발생하면서 하중이 감소하였으며 급격한 하중저하는 없었으나 최대하중 대비 약 80 %의 수준의 하중으로 감소되어
실험을 종료하였다. 교체 가능한 슬릿형 볼트 접합부를 적용한 시험체는 보 중앙부에 가력한 하중이 볼트 체결부를 통해 전달되기 때문에 그래프에서 하중-변위
관계가 계단식으로 나타났다. 이는 하중 가력 초기 볼트와 연결 플레이트가 하중을 받으면서 접합부에서 미세한 슬립이 발생하면서 하중 증가 없이 변위만
증가하는 구간이 짧게 관찰되었으며 볼트 슬립이 완료된 이후 하중이 다시 선형적으로 증가하면서 변위가 진행되었다. 또한 하중에 따라 볼트가 항복하게
되는데 특정 볼트가 항복 또는 파단된 이후 나머지 볼트가 하중을 분담하게 되면서 그래프의 하중이 단계적으로 증가하는 양상이 관찰되었다. 최대하중에
도달하였으며 이 때 접합부에서 회전이 발생하고 연결 플레이트 및 볼트에 변형이 발생하면서 하중이 점차 감소하였다.
RCB-T1, T2, T3, T4 시험체는 각각 약 412 kN, 319 kN, 466 kN, 386 kN으로 RCB-C 시험체의 최대하중 651kN
대비 63 %, 49 %, 71 %, 60 % 수준의 최대하중을 보였다. RCB-C 시험체는 접합부가 없어 구조적 일체성이 우수하기 때문에 가장 높은
최대하중을 나타냈으며 PEC 보 내부의 스터럽과 H형강의 상부 및 하부 플랜지의 콘크리트 구속효과로 인해 더 높은 휨성능이 발휘되었다. 슬릿이 없는
RCB-T1은 고장력 볼트를 적용한 시험체로 전산나사를 적용한 시험체 RCB-T2 시험체에 비해 약 29 % 더 높은 하중을 보였다. 슬릿이 있는
RCB-T3의 고장력 볼트를 적용한 시험체와 RCB-T4의 전산나사를 적용한 시험체의 최대하중은 약 21 % 로 슬릿이 있는 경우에도 고장력 볼트를
체결한 경우 하중이 크게 나타났다. 다만 슬릿이 있는 시험체에서 최대하중의 차이가 슬릿이 없는 경우보다 작게 발생하였는데 이는 슬릿 적용으로 인해
두 체결방식 간의 하중 차이가 작아진 것으로 판단된다. 슬릿 적용으로 인해 하중이 국부적으로 분산되었으며, 이로 인해 볼트에 집중되는 응력이 완화되었다.
따라서 슬릿이 없는 경우와 비교하여 볼트와 전산나사 간의 성능 차이가 줄어드는 경향이 관찰되었다. 이는 슬릿이 응력 집중을 억제하고 접합부 전체의
연성거동을 유도하는데 기여했음을 의미한다고 판단된다.
슬릿이 있는 시험체는 슬릿이 없는 시험체보다 상대적으로 높은 최대하중을 보였다. 슬릿이 적용된 경우, 하중이 슬릿 주변으로 분산되면서 국부적인 응력
집중이 완화되었기 때문이다. 슬릿이 있는 RCB-T4가 슬릿이 없는 RCB-T2 시험체에 비해 약 21 % 증가된 최대하중을 보였으며 이는 슬릿으로
인한 하중 재분배 효과가 나타난 것으로 판단된다.
Fig. 11 Load-displacement curves
Table 3 Maximum load and displacement
|
Specimen
|
Maximum load
(kN)
|
Maximum displacement (mm)
|
|
RCB-C
|
651.43
|
127.74
|
|
RCB-T1
|
411.60
|
129.33
|
|
RCB-T2
|
319.23
|
133.40
|
|
RCB-T3
|
465.57
|
80.14
|
|
RCB-T4
|
386.05
|
75.33
|
3.3 연결 플레이트의 하중-변형률 관계
각 시험체에 설치된 연결 플레이트의 변형률을 Fig. 12에 나타내었다. RCB-T1의 연결 플레이트는 초기 하중 단계에서 변형률이 선형적으로 증가하였으며 하중이 약 250 kN 이상 도달하면서 급격한 변형률
증가가 나타났다. 고장력 볼트를 사용했기 때문에 체결 강도가 높아 슬립이 상대적으로 작게 발생하였으며 하중 증가에 따라 연결 플레이트의 변형이 균일하게
진행된 것으로 보이나 최대하중 도달 이후 연결 플레이트에 볼트로 인한 국부적인 응력이 집중되면서 변형률이 급증한 것으로 판단된다. 전산나사를 사용한
RCB-T2 시험체는 초기 하중단계에서 변형률이 비선형적으로 증가하였으며 약 200 kN 하중에서 급격하게 변형률이 증가하였다. 슬릿이 있는 고장력
볼트를 사용한 RCB-T3 시험체는 약 350 kN까지 비교적 선형거동이 유지되다 이휴 완만하게 변형률이 증가하였다. 슬릿이 적용되어 하중이 분산되기
때문에 연결 플레이트 변형률이 억제된 것으로 판단된다. 전산나사를 사용한 슬릿이 있는 RCB-T4 시험체는 슬릿으로 인해 하중이 분산되었으나 전산나사의
체결강도가 부족하여 국부 변형이 발생했음을 보여준다. 따라서 고장력 볼트 시험체와 비교했을 때 상대적으로 높은 변형률이 관찰되었다.
Fig. 12 Load–strain relationships of the connection plates
3.4 에너지소산능력
에너지소산능력은 하중-변위 곡선의 면적으로 계산된다(Mercimek et al, 2020). 각 시험체의 에너지 소산능력의 결과는 Table 4와 Fig. 13에 나타내었다.
RCB-C 시험체는 에너지소산능력이 73425.51 kN으로 가장 높게 나타났으며 이는 접합부가 없는 일체형 PEC 보로 구조적 일체성이 확보되어
하중이 보 전체에 걸쳐 균일하게 전달되었기 때문이다. 고장력 볼트를 사용하여 체결된 슬릿이 없는 RCB-T1 시험체의 경우 RCB 시험체 대비 약
55 %의 에너지 소산능력을 보였다. 이는 고장력 볼트의 초기 슬립이 발생하였지만 이후 하중저항 능력이 상대적으로 잘 유지되었기 때문이다. 전산나사를
적용한 RCB-T2 시험체는 RCB-C 시험체 대비 약 39 %의 에너지 소산능력을 보였는데 앞서 분석한 것과 같이 고장력 볼트에 비해 체결강도가
낮아 초기 슬립부와 볼트 휨변형이 크게 발생하면서 에너지 소산능력이 감소한 것으로 판단된다. 고장력 볼트를 사용하여 연결 플레이트가 체결된 시험체는
전산나사를 사용한 시험체보다 에너지소산능력이 상대적으로 높게 나타났다. 이는 고장력 볼트의 체결강도가 더 우수하여 더 높은 하중에 저항했기 때문이다.
슬릿이 있는 RCB-T3, T4 시험체는 RCB-C 시험체 대비 38 %, 30 %의 에너지소산능력을 보였다. 이는 슬릿 적용으로 인한 응력 분산
효과는 있었지만 휨에 저항하는 연결 플레이트의 유효면적 감소로 강성이 감소하여 에너지 소산능력이 저하된 것으로 판단된다.
Fig. 13 Energy dissipation capacity
Table 4 Energy dissipation
|
Specimen
|
Energy dissipation capacity (kN・mm)
|
|
RCB-C
|
73425.51
|
|
RCB-T1
|
40456.87
|
|
RCB-T2
|
28371.69
|
|
RCB-T3
|
27609.55
|
|
RCB-T4
|
21374.63
|
4. 결 론
본 연구를 통해 교체 가능한 슬릿형 볼트 접합부를 적용한 PEC 보의 휨 성능과 에너지 소산능력을 평가하였으며 다음과 같이 결론을 도출하였다.
1) 접합부가 없는 일체형 시험체인 RCB-C 시험체는 약 651 kN의 최대하중을 나타냈으며 교체형 접합부를 적용한 시험체는 일체형 시험체 대비
최대 63 % 수준의 최대하중을 나타냈다. 고장력 볼트를 적용한 시험체가 전산나사를 적용한 시험체보다 최대 57 % 높은 최대하중을 나타냈는데 이는
고장력볼트의 체결강도가 상대적으로 우수하기 때문이다.
2) 접합부를 가진 시험체는 일체형 시험체와 다른 하중-변위 거동을 나타냈다. 이는 볼트로 체결된 접합부에서 초기 하중 도입시 슬립 현상이 발생하여
변위가 증가하는 비선형 구간이 나타났기 때문이나 하중이 증가할수록 하중이 선형적으로 증가하였다. 슬릿이 적용된 시험체는 하중 재분배 효과로 응력집중이
완화되면서 슬릿이 없는 경우보다 최대하중이 증가하는 경향을 나타냈다.
3) 일체형 시험체인 RCB-C 시험체의 에너지소산능력이 가장 높게 나타났으며 접합부가 적용된 시험체는 최대 약 55 % 수준으로 나타났다. 고장력
볼트를 사용한 시험체는 전산나사를 사용한 시험체보다 에너지 소산능력이 상대적으로 높게 나타났는데 이는 고장력 볼트가 더 높은 하중에 저항하면서 변형을
억제했기 때문으로 판단된다. 슬릿이 적용된 시험체는 응력분산 효과로 초기 접합부 회전은 작게 나타났으나 연결 플레이트의 유효단면 감소로 인해 에너지
소산능력이 저하되었다.
4) 교체 가능한 슬릿형 볼트 접합부는 현장에서의 간단한 볼트 체결로 PEC 보를 효과적으로 연결할 수 있음을 확인하였다. 이를 통해 설치 및 해체,
재설치 과정이 기존 방식에 비해 현저히 간소화 될 것으로 기대할 수 있다. 향후 접합부의 설계 및 반복하중에 대한 성능평가에 관한 추가 연구가 필요한
것으로 판단된다. 또한, PEC 보의 최대하중은 기존 변형률 적합해석법을 통해 예측이 가능한 것으로 나타났지만 연결 플레이트의 길이, 슬릿 형상 등
접합부의 상세가 하중 전달 및 최대하중에 미치는 영향을 더욱 정확히 반영하기 위해 이를 고려한 강도 예측식에 대한 추가 연구가 필요하다.
감사의 글
이 논문은 2024년도 정부(과학기술정보통신부)의 재원으로 한국연구재단의 지원을 받아 수행된 연구임(No. RS-2023-00217322).
References
Ahmad, S., Masri, A., and Saleh, Z. A. (2018) Analytical and Experimental Investigation
on the Flexural Behavior of Partially Encased Composite Beams. Alexandria Engineering
Journal 57(3), 1693-1712.

Aninthaneni, P. K., Dhakal, R. P., Marshall, J., and Bothara, J. (2018) Nonlinear
Cyclic Behaviour of Precast Concrete Frame Sub-Assemblies With “Dry” End Plate Connection.
Structures 14, 124-136.

Chen, Z., Niu, X., Liu, J., Khan, K., and Liu, Y. (2021) Seismic Study on an Innovative
Fully-Bolted Beam-Column Joint in Prefabricated Modular Steel Buildings. Engineering
Structures 234, 111875.

Lee, S., Park, J., Kwak, E., Shon, S., Kang, C., and Choi, H. (2017) Verification
of the Seismic Performance of a Rigidly Connected Modular System Depending on the
Shape and Size of the Ceiling Bracke. Materials 10(3), 263.

Mercimek, Ö., Ghoroubi, R., Anil, Ö., Çakmak, C., Özdemir, A., and Kopraman, Y. (2020)
Strength, Ductility, and Energy Dissipation Capacity of RC Column Strengthened with
CFRP Strip under Axial Load. Mechanics Based Design of Structures and Machines 51(2),
961-979.

Yang, C., Chen, H., and Ou, J. (2023) Aninthaneni, P. K. (2018) Experimental Study
on Seismic Performance of Modular Steel Construction Beam-to-Beam Combined Side Column
Joint with Blind Bolted Connection. Thin-Walled Structures 184. 110431.

Ye, Y., Yao, Y., Liao, H., Xin, L., and Liu, Y. (2022) Flexural Performance of Hollow-Core
Partially-Encased Composite Beams. Journal of Building Engineering 45, 103432

Wu, K., Lin, S., Liu, X., Mao, F., and Zhai, J. (2020) Experimental Study on Mechanical
Behavior of Prefabricated PEc Composite Beams Under Cyclic Loading. International
Journal of Steel Structures 20, 725-741.
