최진원
(Jin-Won Choi)
1
유영준
(Young-Jun You)
1,2
정연주
(Youn-Ju Jeong)
2
권성준
(Seung-Jun Kwon)
3
김장호
(Jang-Ho Jay Kim)
1†
ⓒ2015 by Korea Concrete Institute
Key words (Korean)
초대형 부유 콘크리트 구조물, 콘크리트 모듈, 마이크로 실리카, 수중용 에폭시, 응력 집중, 균열 전이
Key words
VLFS, concrete module, micro silica, aqua-epoxy, stress concentration, crack propagation
-
1. 서 론
-
2. 재 료
-
2.1 콘크리트
-
2.2 마이크로 실리카 혼입 수중용 에폭시
-
3. 실험 개요 및 시험체 제작
-
3.1 실험 개요
-
3.2 시험체 개요
-
3.3 시험체 제작
-
4. 실험 결과 및 분석
-
4.1 실험 결과
-
4.2 결과 분석
-
5. 결 론
1. 서 론
국토가 협소하고 3면이 바다로 둘러싸인 우리나라는 불리한 국토 조건에서도 지난 세기 동안 큰 경제적 발전을 이루었다. 그러나 경제 발전이 이루어질수록
개발 가능한 공간이 감소하고, 부동산 가치가 급등하면서 과거와 같은 대규모 국토 개발에 천문학적인 예산이 소모되고, 국토 개발에 요구되는 토지 수용
과정에서 사회적 문제가 발생하게 되었다. 따라서 효율적인 개발 공간 확보를 위해 1970년대부터 대규모 간척사업을 실시하였으나 경제적문제와 환경문제에
부딪혀 제한적 개발이 이루어져왔다. 따라서 기존 국토개발방법에 대한 한계점을 극복하기 위하여 해상 인공지반 개발 연구를 실시하였으며 이는 해상 플랜트나
교량의 하부 구조부터 대형 부유식 해양 구조물(VLFS, Very Large Floating Structure)까지 규모에 따라 다양한 용도로 사용
가능하다. VLFS는 구조물의 개념뿐만 아니라 구조물 위에 건축되는 건물이나 시설 등 건축물의 개념을 부가한 것으로, 생활과 거주 개념을 지닌 대형
부유식 해양 구조물이라고 볼 수 있다. VLFS는 우리나라와 일본과 같이 국토의 크기가 제한된 국가들이 간척 사업의 한계를 극복하고자 구상된 방법이다.1) 그러나 VLFS는 구조물을 고정하기 위한 계류장치가 필요하고 바람 및 파도에 의한 운동이 발생할 수 있으므로 이에 대한 대책이 필요하다. 경제적인
측면에서 매립 공법에 의해 조성된 토지에 비해 영구적이지 않다는 점과 자산 가치의 보전 문제가 발생되며 지반 자체의 유지 보수비용이 발생한다. 반면,
장점으로는 설치 장소 선택이 자유로우며, 필요시 증설, 확장 및 개조도 가능하며 불필요한 경우 제거도 용이한 것을 들 수 있다. 또한, 해저기반 지질에
무관하게 설치할 수 있으며 지진에 대한 안정성, 그리고 환경적, 사회적 문제가 이슈로 부각되는 국내 사회에서 큰 장점을 가질 수 있다. 이러한 장점을
근거로 일본에서는 간사이 공항 활주로 공사에 VLFS를 적용한 바 있고 이를 통해 시공 매뉴얼이 작성된 바 있다.2)
그러나 VLFS의 실제적 사용에는 법적·구조적 문제가 남아있으므로 이에 대한 법 개정이 필요한 실정이다.3) 또한, 현재까지 제작된 VLFS는 강재를 이용해 제작된 것이 대부분으로 최근 연구되고 있는 콘크리트 모듈을 이용한 VLFS는 앞으로 많은 연구가
필요한 것으로 보인다.4) 특히, Fig. 1과 같은 콘크리트 모듈 접합을 통해 제작되는 폰툰형(pontoon type) 부유체는 강체거동에 대한 연구가 요구된다.5) 구조물 취약부인 모듈 간 접합부 형상이나 재료에 따라 성능이 달라지므로, 기존의 강재 부유체의 접합부에 사용되는 재료가 콘크리트 부유체에 적합한
지에 대한 검증이 필요하다.6) 또한, 프리스트레싱 접합공법을 사용할 경우, 모듈 간 접합부가 프리스트레스력에 의한 압축력이 작용하므로 강재형 부유체에 사용되는 강재 및 고무 connector
사용에 대한 검증 역시 필요하다.7)
이와 같은 접합부 재료 선정에 대한 해결책으로 신 재료를 사용하여 접합하는 방법이 고려되고 있다. 접합재료는 해상 조건에서 콘크리트 모듈 간 접합
공정을 실시하는데 보조적인 역할을 할 수 있도록 충분한 접합 성능을 갖추어야한다. 즉, 콘크리트 보수·보강 재료와 마찬가지로 높은 부착강도 및 내화학성과
방수성을 겸비하여야 한다.8) 해당 조건에 부합하는 재료로는 수중용 에폭시가 있다. 수중용 에폭시는 수중에서 풀림이 적은 고점성의 접합재료로서 주로 수중 또는 소파 환경에서 구조물
보수, 보강, 방수처리나 FRP 접착제로 사용되는 재료이다. 단, 고점성 재료의 특성 상 A제와 B제의 혼합 시 발생되는 공극을 마이크로 실리카와
같은 미분말의 혼합에 의해 채워 공극에 의한 성능 저하를 막을 수 있다. 이러한 이유로 이 연구에서는 Part 1에서 제시한 수중용 에폭시 재료성능
개선을 통해 마이크로 실리카 혼입 수중용 에폭시(micro-silica mixed aqua-epoxy, MSAE)를 이용하여 콘크리트 모듈 접합성능을
평가하고자 한다. 이를 위해 MSAE를 이용한 모듈 간 접합을 실시하고 프리스트레싱을 적용한 시험체를 제작하여 3점 하중 재하 실험을 실시한다. 이를
통해 MSAE의 모듈형 콘크리트 부유체 접합재료로서의 사용성과 접합성능을 평가하고자 한다.
2. 재 료
2.1 콘크리트
이번 연구에서 사용된 콘크리트는 해상에서 사용되는 콘크리트의 특성에 맞추어 수밀성을 증가시키는 것이 요구된다. 따라서 수밀성 증가에 효과가 있는 플라이애쉬를
바인더의 10%만큼 치환하여 혼입하였으며, 배합설계는 Table 1과 같이 물-시멘트비(W/C) 40%, 잔골재율(S/a) 45%, 잔골재(S)와
굵은 골재(G)는 각각 745 kg과 913 kg을 사용하였다. 또한, 유동성 증가를 위해 유동화제(SP)를 혼합하였다. 설계강도는 60 MPa로
실제 28일 압축강도 평균값(fck)은 64.2 MPa로 측정되었다.
2.2 마이크로 실리카 혼입 수중용 에폭시
|
Table 1 Mix proportion
|
|
W/C
(%)
|
S/a
(%)
|
Unit weight(kgf/m3)
|
|
Water
|
Binder
|
S
|
G
|
SP
|
|
Concrete
|
Flyash
|
|
40
|
45
|
158
|
450
|
50
|
745
|
913
|
5
|
|
|
|
Table 2 Material test results (epoxy)
|
|
Test
|
Capacity
|
Standard
|
|
Tensile strength (MPa)
|
43.2
|
ASTM D 638
|
|
Compressive strength (MPa)
|
85.4
|
KS M 3015
|
|
Pull-off bond strength (MPa)
|
Air
|
3.9
|
ASTM C 882-91
|
|
Water
|
3.8
|
|
Bond strength
(MPa)
|
Air
|
4.6
|
KS F 4923
|
|
Water
|
4.1
|
|
Elastic Modulus MPa)
|
7,630
|
KS F 2438
|
콘크리트 모듈 간 접합용으로 사용된 MSAE의 물성을 측정하기 위해 재료특성실험을 실시하였다. Fig. 2와 같이 C사의 수중용 에폭시를 사용하였으며,
마이크로 실리카는 S사의 SiO2계열을 에폭시 중량의 2%로 혼입하였다. 인장강도, 압축강도, 인장전단, 부착강도, 인발부착강도(건조, 습윤), 접착강도(건조, 습윤)에 대한 시험을
KS 기준에 따라 수행하였다. 국내 기준이 없는 경우, ASTM 기준에 따라 수행하였다. 실험결과는 Table 2에 나타내었다.
3. 실험 개요 및 시험체 제작
3.1 실험 개요
MSAE를 이용한 해상 구조물의 접합 성능을 평가하기 위하여 시험체를 제작하였다. 시험체는 에폭시 적용에 따른 접합부 성능을 평가하기 위하여 보 시험체를
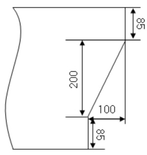
제작하고 3점 하중 재하 실험을 실시하였다. 단, 시험체 중앙부에 위치한 전단키가 1방향인 것을 고려하여 Fig. 2와 같이 지간 1/3지점에서 하중을
재하였으며, 그에 따른 부재 전체의 거동을 하중-변위 곡선을 통해 평가하였다. 또한, MSAE 에폭시 충진 여부에 따른 거동 차이를 평가하기 위하여
접합부에서 에폭시와 콘크리트 접합면의 탈락 시 하중과 접합부의 균열 양상을 측정하고 평가하였다.
|
|
|
Fig. 2 Eccentric 3-point loading test
|
|
|
|
|
|
(a) P series
|
|
|
|
(b) EP series
|
|
Fig. 3 Test specimens dimensions
|
3.2 시험체 개요
시험체는 총 3종류로서 일반보 시험체(G1), 프리스트레스력으로 접합하는 분절보 시험체(P1, P2), 에폭시를 적용하여 프리스트레스력으로 접합하는
분절보 시험체(EP1, EP2)로서 그 형상은 Fig. 3과 같다. G1의 경우 전체 부재의 길이는 3,000 mm, P 시험체의 경우 길이 1,550
mm (하단 1,450 mm) 시험체를 제작하여 프리스트레싱으로 접합하였다. 텐던은 캠버에 의한 상부 균열이 일어나지 않도록 부재 중앙부로부터 80
mm 하단에 배치하였으며 포스트텐션 방식으로 SWPR7A 두 가닥을 사용하여 긴장력 400 kN을 도입하였다. EP 시험체의 경우 MSAE 20 mm를
적용한 것 이외에 P 시험체와 동일하나 접합부 에폭시 두께가 20 mm 늘어남에 따라 모듈의 길이를 10 mm 절감하여 전체 부재의 길이는 3,000
mm로 설계하였다.
부재 단면은 Fig. 4에서 보는 바와 같으며 항복강도 400 MPa D19(S1) 철근이 상하부에 각각 4가닥씩 양단배근되었다. 전단철근은 D13
철근(S2)을 100 mm 간격으로 배근하였다. 단면의 높이와 넓이는 각각 370 mm와 340 mm이며, P, EP 시험체의 철근 배근은 Fig.
5와 같이 실시하였다.
접합부 전단키 형상은 Hällmark et al.의 1방향 콘크리트 전단키 연구를 바탕으로 제작하었다.9) 그에 따르면 전단키 상부의 돌출비가 큰 경우 낮은 강도에서 전단키 상단의 파괴가 일어날 수 있으므로 이를 조정하여 높이:돌출 비율을 2:1로 하여
Fig. 6과 같이 전단키 형상을 결정하였다.
3.3 시험체 제작
|
|
|
Fig. 4 Rebar layout (cross-sectional view)
|
|
|
|
|
|
Fig. 5 Rebar layout (plan view)
|
|
|
|
|
|
|
(a) Example
|
(b) Shear key for test
|
|
Fig. 6 One way shear key
|
텐던 2본을 설치하기 위하여 50 mm 쉬스관을 설치하였고, 전단키의 접합성을 확보하기 위해 양쪽 모듈 접합면 형상을 일치시켰다. 이를 위하여 접합면에
강판을 이용한 거푸집 제작을 Fig. 7과 같이 매치캐스팅으로 실시하였다. 3일 양생 후 거푸집을 제거하였으며, EP 시험체는 MSAE 기온 12°C에서
도포 작업을 실시하였고, A, B제의 원활한 혼합을 위해 사전 중탕을 실시하여 점도 저하를 최소화하였다. P 시험체와 EP 시험체의 접합 후 형상은
Fig. 8과 같다.
|
|
|
Fig. 7 Match casting
|
|
|
|
|
|
|
(a) P series
|
(b) EP series
|
|
Fig. 8 Shear key connection
|
4. 실험 결과 및 분석
4.1 실험 결과
MSAE를 이용하여 접합된 콘크리트 모듈 접합 시험체구조실험 결과는 Fig. 9와 같다. 비교 평가를 위하여 실시한 G1 시험체 시험에서는 최대 하중
230 kN, 최대 변위는 36.94 mm였으며, 초기균열은 약 170 kN에서 발생하였다. 시험체의 파괴 형상은 하중이 재하된 1/3 지점을 중심으로
휨균열이 발생하였다. 약 200 kN 하중에서 인장철근이 항복하였고, 최대하중은 항복 고원에서 나타났다. 파괴 형상은 Fig. 10과 같이 하중 재하점의
하단부에서 휨 균열이 발생하였으며, 실험 종료 시 상단부에 지압파괴가 발생하였다.
|
|
|
Fig. 9 Load-deflection (D1)
|
|
|
|
|
|
Fig. 10 Crack pattern (D1)
|
|
|
|
|
|
Fig. 11 Load-displacement curve (P series)
|
MSAE를 적용하지 않는 프리스트레싱 시험체(P)는 하중이 증가함에 따라 변위가 완만히 증가하는 PS 구조물의 일반적인 거동을 확인할 수 있었다.
Fig. 11에서 나타난 바와 같이 P 시험체의 최대 하중은 약 220 kN, 최대 변위는 약 37 mm가 발생하였으며, 실험 종료 시 Fig. 12와
같이 전단키의 상부 절곡점을 기준으로 좌·우측 모듈에 모두 균열이 발생하였다. Fig. 13에서 나타난 바와 같이 균열양상은 최초 140 kN에서
①번 방향으로 진행되었으며, 160 kN에서 ②번 방향 균열이 발생하며 하중이 증가되었다. 이후 전단키 상부에서 interlocking이 일어나면서
하중이 증가하였고 텐던이 항복함에 따라 ①번 방향 균열 폭이 증가하면서 좌측으로 균열이 진행되었다. 약 205 kN에서 ③번 균열이 발생하여 양쪽
모듈에 파손이 발생하였다. 이후 최대하중인 220 kN에 도달하면서 하중이 집중되는 전단키 상부 ①번 균열의 폭이 급격히 커지면서 하중이 약 200
kN으로 저하되는 것을 확인할 수 있었다. 이후 전단키 상부에 interlocking이 유지되며 하중이 증가함에 따라 균열 폭의 급격히 증가하여 상부에
지압파괴가 일어났다.
Fig. 14의 EP 시험체의 하중-변위 곡선에서 보여주는 바와 같이 에폭시로 접합한 프리스트레싱 시험체(EP1, EP2)의 거동은 P 시험체와 유사하지만
에폭시의 적용에 의해 균열양상에 차이를 보였다. 하중-변위의 경우 최대 하중은 약 221 kN, 최대 변위는 35.4 mm로 유사하게 나타났지만,
Fig. 15~16에서 나타난 바와 같이 균열 발생 및 시험 종료 시 시험체의 파손 정도가 다르게 나타났다. 균열전이는 Fig. 16과 같이 최초
100 kN에서 에폭시와 콘크리트면의 계면(①)에서 발생되었으며, 이후 하중 증가에 따라 140 kN일 때 ②번 균열이 빗면 중앙부에서 발생하였다.
이후 165 kN에서 ③번 균열이 발생하여 전이되었다. 하중이 증가함에 따라 ②번 균열의 폭이 증가되었으며 이에 따라 응력이 빗면에 집중되었다. 단,
시험이 종료될 때까지 우측 모듈에는 균열이 발생하지 않았으며, 이는 접합부에 에폭시가 충진 됨에 따라 절곡점에 집중되는 응력을 부재 사이에 위치한
에폭시가 고르게 분산시켜 우측 모듈의 절곡점에서 균열이 발생하지 않았던 것으로 보인다. 이와 마찬가지로 좌측 모듈의 경우에도 초기에 부재 단면 상부에
압축력이 발생함에 따라 절곡점에 응력이 집중되는 것을 에폭시가 응력을 분산시켜 균열의 시작이 빗면 중앙부 근처에서 발생된 것으로 보인다. 이러한 결과는
주입된 20 mm 에폭시면이 전단키 빗면에 발생하는 인장응력을 MSAE가 분산하여 절곡점에 집중되는 응력을 분산시키는 것으로 판단된다.
|
|
|
Fig. 12 Crack pattern (P)
|
|
|
|
|
|
Fig. 13 Crack propagation
|
|
|
|
|
|
Fig. 14 Load-displacement curve (EP series)
|
|
|
|
Fig. 15 Crack pattern (EP)
|
|
|
|
|
|
Fig. 16 Crack propagation (EP)
|
|
|
|
Table 3 Test result
|
|
Specimen
|
Initial crack
load (kN)
|
Max. load
(kN)
|
Max. disp
(mm)
|
|
G
|
170
|
231.4
|
36.94
|
|
P1
|
141
|
219.7
|
36.8
|
|
P2
|
137
|
221.6
|
38.4
|
|
EP1
|
138
|
217.7
|
33.1
|
|
EP2
|
144
|
220.4
|
35.4
|
4.2 결과 분석
연구의 시험 결과는 일체형 보(G1) 시험체와의 비교를 통해 추가적인 분석이 가능하다. 먼저, 접합된 시험체는 일체형 보에 비하여 초기 하중 저항
성능이 높지 않았으나 최종 성능은 유사하게 나타났다. 즉, G1 시험체가 변위 17 mm에서 최대 231.4 kN을 보이며 초기에 높은 하중 재하
성능을 보였으나 프리스트레스력이 도입된 나머지 시험체의 경우 최대 변위에서 최대 하중이 발생하는 것을 확인할 수 있었다. 최대 하중에 도달한 후 감소하는
RC 시험체에 비하여 EP1, EP2 시험체에서는 지압파괴로 인해 실험 종료 시까지 꾸준한 하중 증가를 관찰할 수 있었다. 모듈 접합 PS 구조물이
일체형 RC 구조물에 비해 약 5%의 성능 저하만을 보이면서 취성파괴를 막을 수 있다는 점을 시사한다.
또한, MSAE 접합면은 응력이 집중되는 것을 분산시키는 효과가 있는 것으로 판단된다. P 시험체의 경우 MSAE에 의해 접합되지 않았으므로 하중이
증가함에 따라 접합면 하부에 opening이 발생하여 압축부 단면에 변화가 일어나 전단키 절곡부에서 응력 집중 현상(stress concentration)이
발생하게 된다. 이 후 균열에 의해 절곡점 하부가 우측 모듈에 응력을 전달하는 대신 slip 거동을 하고, 절곡점 상부는 인접 모듈(우측 모듈) 절곡부와의
접촉을 통해 하중을 전달한다. 이로 인해 발생되는 응력은 우측 모듈의 절곡부에 집중되어 파손을 일으키게 된다. 그러나 EP 시험체는 MSAE를 이용한
접합을 실시하였으므로 하중 재하 초기에는 접합부 하부에서 opening이 발생하지 않았다. 이후 하중이 증가함에 따라 단면 하부의 MSAE와 콘크리트
부착면의 탈락이 일어났으나 파단이 발생한 중앙 접합부 상단은 부착상태를 유지하게 된다. 부착된 콘크리트-MSAE면은 Table 4와 같이 하중이 좌측
모듈에서 우측 모듈로 힘을 전달하는 면적을 증가시키는 효과가 있으며, 우측 모듈의 콘크리트 면에 발생되는 응력을 감소시킨다. 또한, 하중을 부담하는
콘크리트면이 증가함에 따라 동일 하중 하에서 내부 철근에 발생되는 응력이 감소한다. Fig. 17에서 P와 EP 시험체의 응력 전달과정을 검토할 경우,
Fig. 18과 같이 균열발생 위치를 조절하게 되어 철근에 발생되는 응력의 크기를 에서 로 줄이는 효과가 있다. 이 연구의 경우 이므로 3.29%의 응력이 감소하였다.
|
Table 4 Change of stress transmission area
|
|
Phase
|
P series
|
EP series
|
|
Pre-
cracking
|
|
|
|
Post cracking
|
|
|
|
|
|
|
|
|
|
(a) P series
|
(b) EP series
|
|
Fig. 17 Stress distribution (rebar)
|
|
|
|
|
|
Fig. 18 Stress distribution (rebar)
|
이와 같이 MSAE의 적용에 따른 접합부 거동은 연속된 콘크리트 모듈 접합 부유체의 접합에 효과적일 것으로 판단된다. 수상 환경에서는 현장 타설을
통한 콘크리트 부유체 제작이 실질적으로 어려우므로 프리캐스트 모듈을 제작하는 것이 유리할 것으로 보이며, 실험 결과를 고려하면 MSAE 가접합 및
프리스트레싱 접합 공법을 이용한 콘크리트 모듈 접합은 일체형 부재에 비해 구조 성능을 크게 저하시키지 않으면서 구조물을 접합 건설할 수 있을 것으로
보인다.
5. 결 론
이 연구에서는 MSAE를 이용한 콘크리트 모듈 간 접합 성능을 실험적으로 평가하였다. 이를 위하여 콘크리트 모듈 제작 및 MSAE를 이용한 가접합
및 프리스트레싱 접합을 실시하였고 MSAE 미적용 시험체 및 일체형 시험체와의 비교를 위해 하중 재하에 따른 변위, 최대 하중, 초기 균열 발생 하중,
균열 전이 양상을 평가하였다. 연구 범위 내에서 나타난 결과는 다음과 같다.
1)수중용 MSAE를 적용하여 접합한 시험체는 프리스트레싱만을 이용하여 접합한 시험체와 유사한 최대 하중을 나타냈으며 일체형 RC 시험체에 비하여
약 10 kN의 하중 저하만을 보였다.
2)초기 균열하중은 RC, 프리스트레스력만을 도입한 시험체, 마이크로 실리카 혼입 수중용 MSAE를 적용한 시험체가 각각 약 170 kN. 139
kN, 140 kN을 보여 초기 균열 제어 성능은 일체형 시편에 비하여 떨어지는 것으로 나타났다.
3)균열 전이 양상을 분석해본 결과, 마이크로 실리카 혼입 수중용 MSAE의 적용이 전단키의 형상에 따른 응력 집중을 분산시켜 접합된 모듈의 파손을
완화시킬 수 있는 것으로 나타났다.
4)수상 환경에서 제작 및 사용되는 것으로 계획된 부유형 콘크리트 모듈 접합 구조물의 접합 재료로서 마이크로 실리카 혼입 수중용 MSAE는 적합한
것으로 평가된다.
5)전단키 및 접합부의 형상에 따른 마이크로 실리카 혼입 MSAE의 거동에 대한 추가적인 연구가 요구된다.
Acknowledgements
이 연구는 한국건설기술연구원의 주요사업인 “콘크리트 부유체의 효율적 모듈 접합기술 개발”의 일환으로 수행되었으며, 정부(미래창조과학부)의 재원으로
한국연구재단(No. 2011-0030040)의 연구비 지원에 의해 수행되었습니다. 이에 감사드립니다.
References
1.Jang, H. B., Industrial Technology Trend of Megafloat and the Application to 2012
Yeosu Expo, Monthly Ocean and Fishery, Ocean and Land Research Center, Vol. 291, 2008,
p. 49.

2.Suzuki, H., “Overview of Megafloat: Concept, Design Criteria, Analysis, and Design”,
Marine structures, Vol. 18, No. 2, 2005, pp. 111-132.

3.Lee, T. S., Jeon, Y. J., Koo, J. K., and Kim, Y. H., “A Study on Present Situation
and Improvement of Legal System for Construction of Very Large Floating Structure”,
Korean Society of Civil Engineers, 2006, pp. 3725-3728.

4.Lanier, M.W., Wernul, M., Easley, R., and Springston, P. S., “New Technologies Proven
in Precast Concrete Modular Floating Pier for U.S. Navy”, PCI Journal, 2005, Jul-Aug,
pp. 76-99.

5.Yang, I. H. and Kim, K. C., “Strength Estimation of Joints in Floating Concrete
Structures Subjected to Shear”, Journal of Navigation and Port Research, Vol. 37,
No. 2, 2011, pp. 156-163.

6.Watanabe, E., Utsunomiya, T., and Wang, C. M., “Hydroelastic Analysis of Pontoon-type
VLFS: A Literature Survey”, Engineering Structures, Vol. 26, No. 2, 2006, pp. 245-256.

7.Ali Halim Saleh, Mega Floating Concrete Bridges, Master Thesis of Ali Halim Saleh,
2010, TU Delft.

8.Kim, Y. J., Lee, S. W., You, Y. J., and Kim, J. H. J., “Bonding Material for Performance
Evaluation of Bonding Material for Floating Concrete Structure”, Proceeding of Korea
Conrete Institute, 2011, pp. 227-228.

9.Hallmark, R. and Collin, P. et al., “Concrete shear keys in prefabricated bridges
with dry deck joints”, Nordic Concrete Research, Vol. 2011, No. 44, 2011, p. 3.
